Standardní elektrické připojení topných patron (vývody)
1) Provedení vývodů: Niklový drát. Standardní délka netopící zóny na straně vývodů je 6-20mm dle průměru patrony.
Možnost použití epoxidové zálivky (teplota v místě zálivky maximálně 250°C) – odolné vlhkosti a kontaminaci oleji apod. S epoxidovou zálivkou činí standardní délka netopící zóny na straně vývodů 12-20mm dle průměru patrony.

2) Provedení vývodů: Vývody napojené vně patrony
Vodiče se silikonovou izolací a měděným pocínovaným jádrem (maximálně do 180°C).
Vodiče s teflonovou izolací a měděným pocínovaným jádrem (maximálně do 205°C).
Vodiče s teflonovou izolací a niklovým jádrem (maximálně do 260°C).
Vodiče se sklotextilní izolací a niklovým jádrem (maximálně do 350°C).
Vodiče s minerální izolací a niklovým jádrem (maximálně do 450°C).
Standardní délka netopící zóny na straně vývodů u všech těchto variant je 6-20mm dle průměru patrony.
U všech variant možnost použití epoxidové zálivky (teplota v místě zálivky maximálně 250°C – odolné vlhkosti, kontaminaci oleji apod.). S epoxidovou zálivkou činí standardní délka netopící zóny na straně vývodů 12-20mm dle průměru patrony.

3) Provedení vývodů: Niklová lanka. Standardní délka netopící zóny na straně vývodů je 6-20mm dle průměru patrony.

4) Provedení vývodů: Niklová lanka s keramickou izolací (maximálně do 450°C).
Standardní délka netopící zóny na straně vývodů je 6-20mm dle průměru patrony.

5) Provedení vývodů: Vývody se zapuštěnou izolací do patrony – používá se u aplikací s požadavkem na ohnutí vývodů v místě výstupu z patrony.
Vodiče s teflonovou izolací a niklovým jádrem (maximálně do 260°C). Možnost použití epoxidové zálivky (teplota v místě zálivky maximálně 250°C) – odolné vlhkosti, kontaminaci oleji apod. Standardní délka netopící zóny na straně vývodů je 17-25mm dle průměru a typu patrony.
Vodiče se sklotextilní izolací a niklovým jádrem (maximálně do 350°C). Standardní délka netopící zóny na straně vývodů je 6-20mm dle průměru a typu patrony.
Vodiče s minerální izolací a niklovým jádrem (maximálně do 450°C). Standardní délka netopící zóny na straně vývodů je 6-20mm dle průměru a typu patrony.

6) Provedení vývodů: Napojení se zemnícím lankem – použitelné u patron o průměru: 10mm, 12.5mm, 16mm a 20mm.
Vodiče s teflonovou izolací a niklovým jádrem (maximálně do 260°C). Možnost použití epoxidové zálivky (teplota v místě zálivky maximálně 250°C) – odolné vlhkosti, kontaminaci oleji apod. Standardní délka netopící zóny na straně vývodů je 20-25mm dle průměru patrony.
Vodiče se sklotextilní izolací a niklovým jádrem (maximálně do 350°C). Standardní délka netopící zóny na straně vývodů je 12-20mm dle průměru a typu patrony.
Vodiče s minerální izolací a niklovým jádrem (maximálně do 450°C). Standardní délka netopící zóny na straně vývodů je 12-20mm dle průměru a typu patrony.

7) Provedení vývodů: Třížilový kabel se silikonovou izolací a měděným pocínovaným jádrem (maximálně do 180°C). Přechod mezi patronou a silikonovým kabelem opatřen kovovým opletem. Standardní délka netopící zóny na straně vývodů je 20-25mm dle průměru patrony a typu patrony.
Průměr patron: φ6.5mm , φ8mm , φ10mm a φ12.5mm.

8) Provedení vývodů: Třížilový kabel se silikonovou izolací a měděným pocínovaným jádrem (maximálně do 180°C). Přechod mezi patronou a silikonovým kabelem opatřen kovovým opletem. Průměr patron: φ16mm a φ20mm.
Standardní délka netopící zóny na straně vývodů je 25-30mm dle průměru a typu patrony.

9) Provedení vývodů: Třížilový kabel se silikonovou izolací (maximálně do 180°C) a měděným pocínovaným jádrem, opatřený ohebnou kovovou chráničkou z pozinkované nebo nerezové oceli. U patron průměru 6.5mm a 8mm je průměr chráničky vetší než průměr patrony. U patron průměru 10mm lze chráničku mít větší i menší než průměr patrony dle síly vnitřních vývodů. U patron průměru , 12.5mm, 16mm a 20mm je průměr chráničky menší než průměr patrony. Standardní délka netopící zóny na straně vývodů je 20-30mm dle průměru a typu patrony.

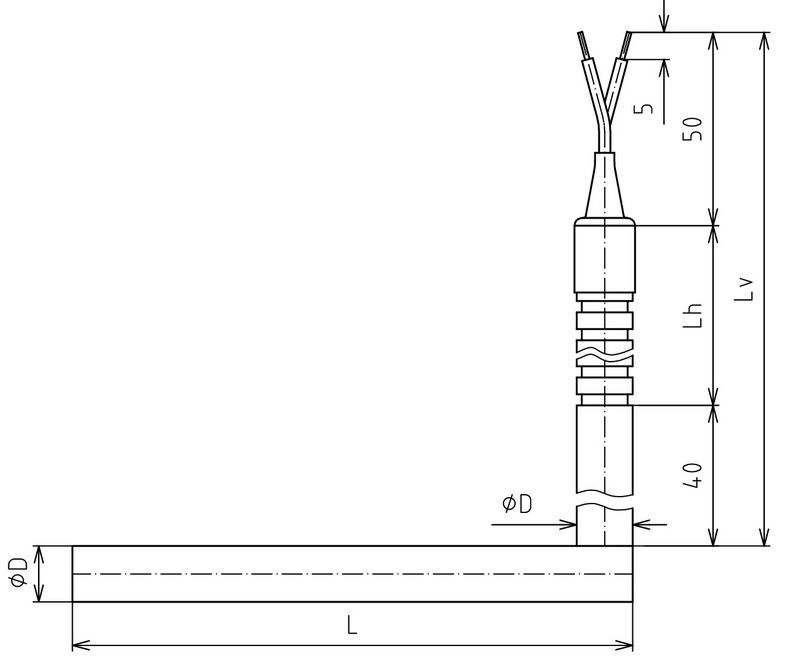
10) Provedení vývodů: Třížilový kabel s kovovým opletem a sklotextilní izolací a niklovým jádrem. Zaručuje zvýšenou mechanickou odolnost při zachování výborné ohebnosti vývodů při teplotách do 350°C. Průměr patron: φ6.5mm , φ8mm a φ10mm. Standardní délka netopící zóny na straně vývodů je 15-20mm dle průměru a typu patrony.

11) Provedení vývodů: Třížilový kabel s kovovým opletem a sklotextilní izolací a niklovým jádrem. Zaručuje zvýšenou mechanickou odolnost při zachování výborné ohebnosti vývodů při teplotách do 350°C. Průměr patron: φ12.5mm, φ16mm a φ20mm. Standardní délka netopící zóny na straně vývodů je 20-30mm dle průměru a typu patrony.

12) Provedení vývodů: Vodiče opatřeny ohebnou kovovou chráničkou z pozinkované nebo nerezové oceli – používá se u aplikací s požadavkem na zvýšenou odolnost vývodů proti oděru, ostrým a tvrdým předmětům. Je možná i varianta s vlnovcovou vodovzdornou kovovou hadicí z nerezové oceli. U patron průměru 6.5mm a 8mm je průměr chráničky větší než průměr patrony. Standardní délka netopící zóny na straně vývodů je 12-20mm dle průměru a typu patrony. U patron průměru 10mm lze chráničku mít větší i menší než průměr patrony dle síly vnitřních vývodů. U patron průměru 12.5mm, 16mma 20mm je průměr chráničky menší než průměr patrony. Standardní délka netopící zóny na straně vývodů je 17-30mm dle průměru a typu patrony.
Vodiče s teflonovou izolací a niklovým jádrem (maximálně do 260°C).
Vodiče se sklotextilní izolací a niklovým jádrem (maximálně do 350°C).
Vodiče s minerální izolací a niklovým jádrem (maximálně do 450°C).

13) Provedení vývodů : Vodotěsné a proti poškození častým ohýbáním odolné napojení gumového kabele vulkanizací. Třížilový kabel s gumovou izolací a měděným pocínovaným jádrem (teplota v místě napojení kabelu na patronu maximálně do 60°C). Délka netopící zóny na straně vývodů je minimálně 25mm.

14) Provedení vývodů: Pravoúhlé napojení – boční vývody s izolací zapuštěnou do patrony. Používá se u aplikací s prostorovým omezeními spolu s požadavkem na ohebnost vývodů. Standardní délka netopící zóny na straně vývodů je 15-25mm dle průměru a typu patrony.
Vodiče s teflonovou izolací a niklovým jádrem (maximálně do 260°C). Možnost použití epoxidové zálivky (teplota v místě zálivky maximálně 250°C) – odolné vlhkosti a kontaminaci oleji apod.
Vodiče se sklotextilní izolací a niklovým jádrem (maximálně do 350°C).
Vodiče s minerální izolací a niklovým jádrem (maximálně do 450°C).

15) Provedení vývodů: Pravoúhlé napojení pomocí kostky – třížilový kabel s silikonovou izolací a měděným pocínovaným jádrem (maximálně do 180°C). Možnost provedení s zvýšenou odolností proti vlhkosti.
Standardní délka netopící zóny na straně vývodů je 6-20mm dle průměru a typu patrony.

16) Provedení vývodů: Pravoúhlé napojení pomocí kostky – třížilový kabel s kovovým opletem a sklotextilní izolací a niklovým jádrem. Zaručuje zvýšenou mechanickou odolnost při zachování výborné ohebnosti vývodů při teplotách do 350°C. Standardní délka netopící zóny na straně vývodů je 6-20mm dle průměru a typu patrony.

17) Provedení vývodů: Pravoúhlé napojení pomocí kostky – s ohebnou kovovou chráničkou z pozinkované nebo nerezové oceli – používá se u aplikací s požadavkem na zvýšenou odolnost vývodů proti oděru, ostrým a tvrdým předmětům. Je možná i varianta s vlnovcovou vodovzdornou kovovou hadicí z nerezové oceli. Standardní délka netopící zóny na straně vývodů je 6-20mm dle průměru a typu patrony.

18) Provedení vývodů: Pravoúhlé napojení pomocí radiální trubky – třížilový kabel s kovovým opletem a sklotextilní izolací a niklovým jádrem. Používá se u aplikací kde z důvodu omezeného prostoru nelze použít pravoúhlé napojení pomocí kostky. Nelze použít pro patrony o průměru 5mm. Zaručuje zvýšenou mechanickou odolnost při zachování výborné ohebnosti vývodů při teplotách do 350°C. Standardní délka netopící zóny na straně vývodů je 15-30mm dle průměru a typu patrony.

19) Provedení vývodů: Pravoúhlé napojení pomocí radiální trubky – s ohebnou kovovou chráničkou z pozinkované nebo nerezové oceli. Nelze použít pro patrony o průměru 5mm.
Používá se u aplikací kde z důvodu omezeného prostoru nelze použít pravoúhlé napojení pomocí kostky. Zaručuje zvýšenou odolnost vývodů proti oděru, ostrým a tvrdým předmětům. Standardní délka netopící zóny na straně vývodů je 15-30mm dle průměru a typu patrony. Je možná i varianta s vlnovcovou vodovzdornou kovovou hadicí z nerezové oceli.
